Web Analytics Made Easy - Statcounter
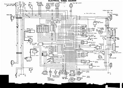
Vehicle Specific Wiring Diagram: Tailored Solutions for Your Car

Vehicle Specific Wiring Diagram: Tailored Solutions for Your Car

Vehicle Specific Wiring Diagram: Tailored Solutions for Your Car Types of vehicles with names and useful pictures • 7esl